Manual
Instalación
Última modificación
22-05-2023
Descripción
Este documento explica los puntos relevantes para el proceso de instalación en la aplicaciones móvil, además de las diversas maneras de instalar el dispositivo según la preferencia del cliente o usuario.
Compartir el proceso de instalación del dispositivo, además de explicar las diferentes tipos de instalaciones que se pueden realizar para lograr mejor discreción o practicidad.
Pre-requisitos del Vehículo
Existen diversos tipos de unidades, unidades de carga ligera o comercial y unidad de carga pesada,estas pueden presentar diferentes necesidades y características que tienen que cumplir con requisitos fundamentales para el correcto funcionamiento del dispositivo de Indacar.
Las unidades pueden contar con dos tipos de puerto OBD2(figura 1) o J1939 o DB9(Figura 2), sin embargo existen vehículos usados normalmente para carga pesada que pueden tener funcionamiento de un vehículo de carga ligera o comercial.
Vehículos de Carga Ligera o Comerciales
Estos vehículos se conocen comúnmente como Compactos, Sedan, pick ups, SUV o hasta unidades de carga de 2.5 Toneladas,pequeños camiones de carga pesada y autobuses.
Las unidades cuentan con un puerto OBD2 (Figura 1), el voltaje de estas unidades se encuentra entre 12 y 15 volts, el voltaje puede variar dependiendo el fabricante, modelo de la unidad y versión.
Figura 1
El vehículo debe de estar en estado óptimo de funcionamiento eléctrico, que consta de no tener cortocircuitos
Existen unidades de fabricación China como HINO o Sinotruk y otras que a pesar dé tener este puerto pueden funcionar como carga pesada o como carga ligera.
Los protocolos OBD2 soportados son
SAE J1850 PWM
SAE J1850 VPW
ISO 9141-2
ISO 14230-4
ISO 15765-4
Pre-requisitos del Instalador
El instalador debe de contar con la siguientes herramientas y preparación para la instalación
Bolsa o Caja de Herramientas con lo siguiente
Guantes de Protección para evitar cortes por filos cortantes en metales y plásticos
Cinchos
Cinta doble cara Montack marca Ceys
Pinzas de Corte
Pinzas de Punta
Pinzas Mecanicas
Cutter
Desarmador Phillips o Cruz
Desarmador Plano
Destornillador Torx o con múltiples puntas Torx
Franela de limpieza
Se sugiere contar adicionalmente con un probador OBD2 para evaluar que el puerto tenga voltaje apropiado y no esté en cortocircuito por lo que pueda dañar el dispositivo OBD2.
Teléfono Inteligente con cámara y plan telefónico con Datos, el teléfono inteligente debe tener instalada la aplicación de Indacar con usuario registrado y autenticado.
Elementos de una instalación
INSTALACIÓN
Mediante la tienda de App Store o Play Store, se realiza la búsqueda de la aplicación, Indacar.
Se encuentra como “Indacar” y procede a descargar
IOS
https://apps.apple.com/mx/app/indacar-gps-inteligencia/id1230241038?l=en
Android
https://play.google.com/store/apps/details?id=io.indacar.indacar&hl=es_MX&gl=US
Selecciona una opción, nuevo usuario o iniciar sesión.
-En caso de contar con una cuenta, ingresa tus datos y después presiona el botón de login.
-En caso haber olvidado la contraseña presionar “Recupera tu contraseña”
-En caso de no contar con una cuenta se tiene que realizar al registro en la opción de “Registrarse”, una vez hecho el registro les enviará correo electrónico para verificar tu cuenta, después de cumplir con estos pasos podrás ingresar con tu correo electrónico y contraseña

Una vez estando en la pantalla podrás dar click en agregar vehículo o en el icono de “+” que está en la parte superior derecha
Se abrirá en automático una pantalla para poder escanear el código de barras del dispositivo.Se presiona el botón “+” y te mostrará la segunda pantalla.
-Este puede ser escaneado o escribirlo
-ESCANEAR:
-ESCRITO
Ya escaneado el dispositivo, se abrirá una pantalla en la cual este va a requerir los datos del vehículo
4)Después de ya de haber registrado el dispositivo, localizar el puerto OBDII del vehículo para proceder con la instalación
5)Ya localizado el puerto, se procede a encender el vehículo, es indispensable que la unidad esté encendida durante la conexión del dispositivo.
6)Después de localizar el puerto, se conecta uno de los 2 extremos del cable.
En la que encontrarás 2 opciones: cable sencillo y el cable Y.
Cable sencillo:
-Este cable sólo cuenta con 2 entradas, en la cual la primera va en el vehículo y la otra va el dispositivo. La conexión se debe realizar, en la entrada que muestra la imagen anterior, esta localización puede variar en los vehículos.
Cable Y:
-Como podrá observar tiene 3 cabezas el cable:
Este se deberá dejar libre, para el uso del vehículo, o cualquier otro dispositivo que el usuario desee conectar
Este cable, es con el que se realizará la conexión al puerto que se encuentra en el vehículo. Para que tenga la conexión con el vehículo.
En el cable que ha quedado libre, se realizará la conexión con tu dispositivo Indacar.
Para finalizar quedan dos cables o tres cables:
Dos Cables
-Cable negro es tierra (Pin 4 y 5 OBD2)
-Cable rojo es de la corriente (Pin 16 OBD2)
Tres Cables
El cable Y con 3 cables del dispositivo se usa principalmente para la instalación del apagado remoto, sin embargo puede ser usado sin el apagado remoto para eso se tiene dos tipos de instalación de este cable
Sin apagado remoto
-Cable negro es tierra (Pin 4 OBD2)
-Cable blanco es tierra (Pin 5 OBD2)
-Cable rojo es de la corriente (Pin 16 OBD2)
Con apagado remoto
-Cable negro es tierra (Pin 4 OBD2)
-Cable blanco es al relevador (Pin 5 OBD2)
-Cable rojo es de la corriente (Pin 16 OBD2)
Se conectan a la pila, para que se alimente el dispositivo y el otro objeto que tenga sin que se vean afectados por tener 2 dispositivos conectados.
7)Ya encendido el vehículo se puede comenzar con la conexión del dispositivo.
8)Se realiza la conexión del dispositivo con el cable, se debe de asegurar de que el dispositivo se encuentre localizado de una manera que no se encuentre expuesto o con movimiento(libre). Instalar el dispositivo en un lugar oculto .
9)El proceso de conexión se realizará en un aproximado de 5 - 10 minutos.
-Hay 3 leds que debe de asegurarse que están prendidas:
-LED Roja)Conexión establecida con la computadora del vehículo.
-LED AZUL)Conexión establecida con los servidores de indacar.
-LED VERDE)Conexión con el GPS.
Los LED`S rojo y azul deben tener la led fija. Sin embargo, la led verde debe de parpadear.
De igual manera, en su aplicación podrá verificar esto.
Este icono nos muestra que el vehículo se encuentra en línea.
Este icono nos hace saber que el vehículo se encuentra encendido.
Este icono nos muestra que el dispositivo se encuentra conectado.
Este icono muestra que el motor se encuentra sin problemas.
Ya realizado todo lo anterior, la aplicación está lista para comenzar a usarla.
Para modificar la información del vehículo, deberás seleccionar el vehículo en caso de tener más de uno, caso contrario te enviará automáticamente a ese vehículo y darás click sobre los cuatro iconos del estado del vehículo y te aparecerá “editar el dispositivo”.
Dentro del vehículo hay 3 iconos en la parte inferior
A la Izquierda: Te abrira información mecánica más relevante del vehículo
En el centro: Te mandara al menú principal
A la derecha: Te abre un menú con toda la información de viajes, alertas, problemas mecánicos, sensores mecánicos, mantenimientos mecánicos y configuración.
Viajes, podrás filtrar por fecha de inicio y fecha de fin, todos los viajes realizados por el vehículo, además podrás ver el detalle de cada uno de ellos.
Alertas, podrás filtrar por fecha de inicio,fecha de fin y tipo de alerta, todos las alertas, realizados por el vehículo, además podrás ver el detalle de cada uno de ellos.
Problemas mecánicos, Si tu tu vehículo presenta la alerta dé “Check engine” la información del problema específico que presenta la unidad.
Sensores mecánicos, ver información específica dé sensores avanzados dé la unidad.
Mantenimientos mecánicos, Bitácora de servicios pasados y programación de servicios futuros, para que te llegue un recordatorio cuando llegue a las condiciones que configuraste para su servicio.
Configuración, abrira un menu donde podras configurar los límites de las alertas, configurar los sensores a monitorear, asignar geocercas y reiniciar el dispositivo en caso de que necesites volver a instalarlo en un vehículo diferente
¡Viaja tranquilo con tu familia y seres queridos, del resto nos encargamos nosotros!
Para más información puedes consultar más información en:
https://help.indacar.io/support/home
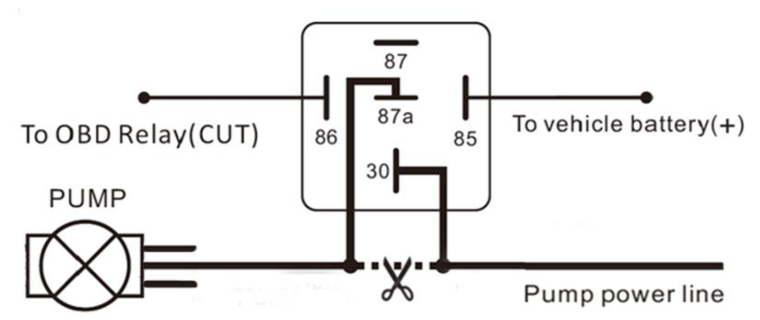
Instalación de Relevador
Sistema de Ignición
OBD Relay Cut - Amarillo
Vehicle Battery - Blanco
Sitema de Ignicion - Café
Bomba de Combustible
OBD Relay Cut - Amarillo
Vehicle Battery - Blanco
Bomba de Combustible - Café
¿Le fue útil este artículo?
¡Qué bueno!
Gracias por sus comentarios
¡Sentimos mucho no haber sido de ayuda!
Gracias por sus comentarios
Comentarios enviados
Agradecemos su iniciativa, e intentaremos corregir el artículo









































